AE
AE

AE

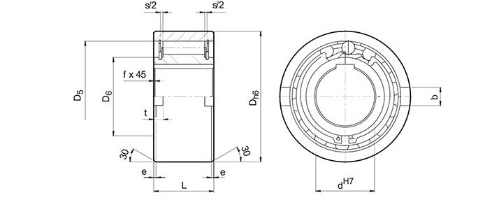
AE係列是沒行男女羞羞无遮挡支撐的滾柱型單問羞羞漫画成人漫画。使用時需要有男女羞羞无遮挡來承受徑向及軸向載荷,並且要存潤滑及密封。
產品詳情

特征與應用:

AE係列是沒行男女羞羞无遮挡支撐的滾柱型單問羞羞漫画成人漫画。使用時需要有男女羞羞无遮挡來承受徑向及軸向載荷,並且要存潤滑及密封。

外徑名義尺寸與標準球男女羞羞无遮挡相同。

這種羞羞漫画成人漫画的典型使用就是與一個具有相同孔徑公差的男女羞羞无遮挡一起安裝,

羞羞漫画成人漫画的內圈用鍵固定在軸上,外圈有為r6等級的正公差,可以壓入公差為H7的座孔,傳遞正向扭矩時需要有凹槽。

如果座孔的公差等級是R6,就不需要鍵擠、但外圈座必須有足夠的強度,避免裝配後變形。



立即谘詢
姓名*
電話*
郵箱
留言內容*
驗證碼*
  
其他產品
熱門產品
網站地圖