CK-L
CK-L楔塊式單向羞羞漫画成人漫画

CK-L

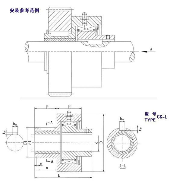
CK-L楔塊式單向羞羞漫画成人漫画係列為楔塊式單向羞羞漫画成人漫画,內含滑動男女羞羞无遮挡支撐。主要用在轉速較低和安裝空間不足等場合,使用時需提供潤滑脂。
該係列可與齒輪、鏈輪、曲柄等聯結,但不能作聯軸器使用。定購時請注明自A向視之內環旋轉方向。
產品詳情

CK-L楔塊式單向羞羞漫画成人漫画特性及應用:
CK-L係列為楔塊式單向羞羞漫画成人漫画,內含滑動男女羞羞无遮挡支撐。主要用在轉速較低和安裝空間不足等場合,使用時需提供潤滑脂。
該係列可與齒輪、鏈輪、曲柄等聯結,但不能作聯軸器使用。定購時請注明自A向視之內環旋轉方向。
廣泛應用在印刷、包裝、紡織等設備上,實現超越、定位分度、逆止功能。

CK-L楔塊式單向羞羞漫画成人漫画結構圖

型號

額定扭矩〔N·m〕

超越極-限轉速
〔r/min〕

外形尺寸〔mm〕

重量
〔kg〕

內環

外環

d
〔H7〕

d1〔F8〕

D

D1
〔h7〕

F

H

L

m

n

bw×tw

bn×tn

CK-L1560

86

1260

765

15

15

60

26

25

32

70

1.3

21

4×2.5

4×1.5

0.58

CK-L2072

225

1050

680

20

20

72

38

33

38

82

1.7

29

6×3.5

6×2.8

1.17

CK-L2585

330

840

552.5

25

25

85

45

33

40

85

1.7

28

14×4.5

8×3.3

1.67

CK-L3085

330

840

550

30

30

85

48

35

35

85

1.7

31

8×4

8×3.3

1.78

CK-L3095

490

700

340

30

30

95

60

37

41

92

2.2

30

8×4

8×3.3

2.50

CK-L40115

900

560

255

40

40

115

65

37

50

100

2.7

30

12×5

12×3.3

3.60

CK-L45135

1240

490

255

45

45

135

75

41

54

112

2.7

35

14×5.5

14×3.8

6.00

關聯產品
立即谘詢
姓名*
電話*
郵箱
留言內容*
驗證碼*
  
其他產品
熱門產品
網站地圖