分類

CK-N滾柱式單向羞羞漫画成人漫画特性及應用:
CK-N係列為不含油封及無男女羞羞无遮挡支撐的楔塊式單向羞羞漫画成人漫画,適用於低運轉速度。
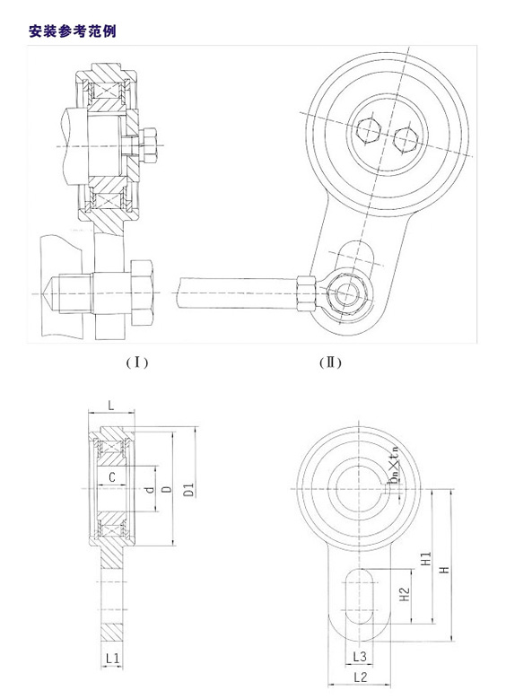
安裝時,螺栓與擺杆槽孔的間隙為槽孔的1%寬度,擺杆與羞羞漫画成人漫画在安裝後絕不可有內應力存在(安裝時 螺栓不可將扭力臂軸向鎖住,徑向也要留有間隙,使得沒有彎曲應力施加於男女羞羞无遮挡及擺杆上)。
CK-N係列主要應用於包裝、印刷設備上的防止逆轉,定位給料;可在小的空間內提供較大的扭矩。

型號 | 額定扭矩 | 超越極-限轉速 | 外形尺寸〔mm〕 | 重量 | ||||||||||
d | D | D1 | C | L | L 1 | L 2 | L 3 | H | H1 | H2 | ||||
CK-N2562 | 137 | 500 | 25 | 62 | 68 | 16 | 25 | 12 | 34 | M10 | 80 | 73 | 1.8 | |
CK-N25100 | 435 | 400 | 25 | 100 | 106 | 48 | 32 | 15 | 40 | 18 | 113 | 102.5 | 35 | 2.5 |
CK-N30100 | 435 | 400 | 30 | 100 | 106 | 48 | 32 | 15 | 40 | 18 | 113 | 1.205 | 35 | 2.4 |
CK-N35100 | 435 | 400 | 35 | 100 | 106 | 48 | 32 | 15 | 40 | 18 | 113 | 102.5 | 35 | 2.3 |
CK-N40125 | 1035 | 300 | 40 | 125 | 132 | 52 | 36 | 15 | 60 | 18 | 125 | 115 | 35 | 4 |
CK-N45125 | 1035 | 300 | 45 | 125 | 132 | 52 | 36 | 15 | 60 | 18 | 125 | 115 | 35 | 3.9 |
CK-N50125 | 1035 | 300 | 50 | 125 | 132 | 52 | 36 | 15 | 60 | 18 | 125 | 115 | 35 | 3.8 |
CK-N55125 | 1035 | 300 | 55 | 125 | 132 | 52 | 36 | 15 | 60 | 18 | 125 | 115 | 35 | 3.7 |
CK-N60150 | 1290 | 250 | 60 | 150 | 161 | 54 | 40 | 15 | 70 | 18 | 140 | 130 | 35 | 6.2 |
CK-N70150 | 1290 | 250 | 70 | 150 | 161 | 54 | 40 | 15 | 70 | 18 | 140 | 130 | 35 | 6.1 |
CK-N80180 | 3900 | 200 | 80 | 180 | 190 | 70 | 50 | 20 | 70 | 25 | 165 | 150 | 30 | 9.6 |
CK-N90180 | 3900 | 200 | 90 | 180 | 190 | 70 | 50 | 20 | 70 | 25 | 165 | 150 | 30 | 9.5 |
注:鍵槽尺寸(bw×tw)按國標GB1095-79選取。