分類

GCZ-B滾柱式單向羞羞漫画成人漫画特性及應用:
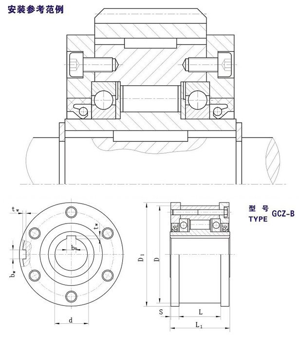
GCZ-B係列為滾柱式單向羞羞漫画成人漫画。內含油封及2隻160係列滾珠男女羞羞无遮挡支撐,出廠時內含潤滑油。
外環有鍵槽用來與驅動件或被驅動件結合,並以外環為固定中-心線。法蘭蓋用於密封油脂,封蓋有2隻螺絲用於加油、放油及油麵校正用。
常用在紡織、化工、食品、包裝、印刷等其它機械設備上.用作超越或定位送料羞羞漫画成人漫画。

型號 | 額定扭矩 | 超越極-限轉速 | 外形尺寸〔mm〕 | 重量 | ||||||||
內環 | 外環 | d〔H7〕 | D(h6) | D1 | L | L1 | S | bw×tw | bn×tn | |||
002-81262 | 44 | 1600 | 2800 | 12 | 62 | 70 | 20 | 42 | 10 | 4×2.5 | 4×1.8 | 1.0 |
GCZ-B1568 | 100 | 1450 | 2600 | 15 | 68 | 76 | 28 | 52 | 11 | 5×3.0 | 5×2.3 | 1.4 |
GCZ-B2075 | 145 | 1080 | 2300 | 20 | 75 | 84 | 34 | 57 | 11 | 6×3.5 | 6×2.8 | 1.9 |
GCZ-B2590 | 230 | 840 | 1800 | 25 | 90 | 99 | 35 | 60 | 12 | 8×4.0 | 8×3.3 | 2.8 |
GCZ-B30100 | 400 | 680 | 1600 | 30 | 100 | 109 | 43 | 68 | 12 | 8×4.0 | 8×3.3 | 3.7 |
GCZ-B35110 | 580 | 620 | 1500 | 35 | 110 | 119 | 45 | 74 | 13.5 | 10×5 | 10×3.3 | 4.7 |
GCZ-B40125 | 870 | 460 | 1300 | 40 | 125 | 135 | 53 | 86 | 15.5 | 12×5 | 12×3.3 | 7.1 |
GCZ-B45130 | 900 | 400 | 1200 | 45 | 130 | 140 | 53 | 86 | 15.5 | 14×5.5 | 14×3.8 | 7.4 |
GCZ-B50150 | 1700 | 320 | 1075 | 50 | 150 | 160 | 64 | 92 | 13 | 14×5.5 | 14×3.8 | 10.4 |
GCZ-B55160 | 1890 | 260 | 1000 | 55 | 160 | 170 | 66 | 104 | 17.5 | 16×6.0 | 16×4.3 | 13.4 |
GCZ-B60170 | 2520 | 220 | 950 | 60 | 170 | 182 | 78 | 114 | 16.5 | 18×7.0 | 18×4.4 | 15.9 |
GCZ-B70190 | 4320 | 210 | 875 | 70 | 190 | 202 | 95 | 134 | 18.0 | 20×7.5 | 20×4.9 | 20.8 |
GCZ-B80210 | 5440 | 200 | 800 | 80 | 210 | 222 | 100 | 144 | 20.5 | 22×9.0 | 22×5.4 | 27.1 |
GCZ-B90230 | 9440 | 180 | 725 | 90 | 230 | 242 | 115 | 158 | 20.5 | 25×9.0 | 25×5.4 | 39.4 |
GCZ-B100270 | 12800 | 140 | 625 | 100 | 270 | 282 | 120 | 182 | 28.5 | 28×10.0 | 28×6.4 | 66.4 |
GCZ-B120310 | 20000 | 100 | 500 | 120 | 310 | 322 | 152 | 202 | 22.5 | 32×11.0 | 32×7.4 | 91.5 |